Обзор и тестирование ноутбука Packard Bell EasyNote TM85
Тайванская компания Packard Bell, основанная в 1926 году, является достаточно старой и разносторонней в сфере производства электронных устройств. За свое время она являлась производителем радиоприемников, обеспечивала электроникой армию США, выпускала телевизоры и компьютеры. Немаловажным фактором ее развития стало неоднократное приобретение различными компаниями, среди которых числятся Teledyne Technologies Inc., NEC Corp., а начиная с 2008 года Packard Bell является дочерней компанией Acer Inc.
Ассортимент продукции у Packard Bell достаточно велик и делится он на несколько типов: десктопы, ноутбуки, нетбуки и мониторы. Вся продукция имеет характерный отличительный знак – дизайн, сочетающий различные материалы, но практически всегда только черного или белого цвета с красными вставками.
Сегодня, мы подробно рассмотрим один из ноутбуков компании Packard Bell, который имеет не только очень интересный дизайн, но и вполне производительную «начинку», способную обеспечить выполнение практически любых поручений. Что ж, встречайте — Packard Bell EasyNote TM85.


В основе ноутбука Packard Bell EasyNote TM85 лежит двухъядерный процессор Intel Core i3-330M, построенный на микроархитектуре Nehalem, благодаря которой процессор имеет в наличии интегрированное графическое ядро Intel Graphics Media Accelerator HD (Intel GMA HD), работающее на частоте 500 МГц (максимум 667 МГц в режиме Turbo), и контроллер памяти. Кроме этого Intel Core i3-330M благодаря технологии Intel Hyper-Threading обеспечивает одновременную работу с четырьмя потоками информации при наличии двух вычислительных ядер.
Двухъядерный процессор Intel Core i3-330M произведен по 32-нанометровому технологическому процессу. Рабочая тактовая частота составляет 2130 МГц (к сожалению, поддержка технологии Intel Turbo Boost, как в процессорах Core i5 и Core i7, не предусмотрена). Системная шина DMI работает со скорость 2,5 ГТ/с. Объем кэш-памяти третьего уровня равен 3 МБ. Максимальное энергопотребление процессора не превышает 35 Вт.
Оптимизацию производительности и энергопотребления обеспечивает широкий набор фирменных технологий. Технология Intel Virtualization (VT-x) позволяет улучшить управляемость, безопасность и гибкость в виртуальной среде. Усовершенствованная технология Intel SpeedStep устанавливает несколько точек для динамического переключения тактовой частоты и напряжения в зависимости от нагрузки. Технология Intel Smart Cache позволяет оптимизировать работу с часто используемыми данными, благодаря чему улучшает производительность и энергосбережение. Технологии Intel Fast Memory Access и Intel Flex Memory Access обеспечивают быстрый и гибкий доступ к системной памяти. А также стоит отменить поддержку и таких технологий как Intel 64, Idle States, Thermal Monitoring Technologies и Execute Disable Bit.


Контроллер памяти, интегрированный в ядро процессора, обеспечивает поддержку модулей памяти DDR3-800/1066 (хотя в тестируемом ноутбуке установлены две планки DDR3-1333) в двухканальном режиме. Максимальный поддерживаемый объем оперативной памяти составляет 8 ГБ.


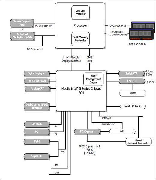
Роль чипсета выполняет «набор» микросхем Intel HM55 Express, в обязанности которого входит лишь осуществление управления вводом/выводом информации. Для этого предусмотрено до 8 линий PCI Express 2.0, 14 портов USB 2.0, 6 портов SATA с возможностью создания RAID-массивов уровней 0/1/5/10 и порта eSATA. Кстати, для защиты информации предусмотрена возможность отключения и включения портов USB и SATA. В Intel HM55 Express, помимо интегрированного модуля управления Intel Management Engine, который обеспечивает осуществление контроля за тактовой частотой и температурой, присутствует поддержка новой технологии Intel Anti-Theft (Intel AT), которая позволяет блокировать компьютеры в случае их утери или кражи.

Графическая подсистема ноутбука основывается на дискретном видеоадаптере NVIDIA GeForce GT 320M (GT216) и обеспечивает достаточно высокий уровень производительности, хотя, в целом, практически не отличается от «старенькой» NVIDIA GeForce 9600M GT. Графический адаптер поддерживает OpenGL 3.1, Microsoft DirectX 10.1 (Shader Model 4.1), а также несколько фирменных технологий. Технология NVIDIA PureVideo HD предоставляет возможность аппаратного декодирования H.264, VC-1, MPEG-2 и MPEG-4 ASP (DivX or XviD), а технология NVIDIA HybridPower динамически изменяет частоты ярда и памяти в зависимости от источника питания. Однако, из-за недостаточного количества потоковых процессоров, отсутствует поддержка технологии NVIDIA PhysX.
Графическое ядро NVIDIA GeForce GT216 произведено по 40-нанометровому технологическому процессу и включает 24 потоковых процессора CUDA. Частота ядра составляет 500 МГц, а блока шейдеров – 1100 МГц. Частота памяти равна 790 МГц при ширине шины памяти 128 Бит. Объем выделенной видеопамяти DDR3 составляет 1024 МБ.
Внешний вид, расположение элементов, эргономика

Изящный и в тоже время сдержанный внешний вид ноутбука Packard Bell EasyNote TM85 всеми силами притягивает к себе внимание, даже не смотря на черное цветовое оформление, которое в компании называют NightSky Black. А обилие глянцевых элементов корпуса и применение интересного волнообразного рисунка для внешней стороны крышки и рабочей области только усиливают обаяние ноутбука. Практически все детали корпуса выполнены из пластика и очень качественно подогнаны друг к другу. Также можно увидеть и небольшие металлические вставки, дополняющие общий вид. Конечно, при этом всем, у Packard Bell EasyNote TM85 появляется один существенный недостаток – он достаточно непрактичный и требует особо бережного отношения, чтобы внешний вид оставался привлекательным.

Поэтому, если вам важен внешний вид ноутбука, то можно обратить внимание на другие цветовые оформления, среди которых присутствует серебристый (Silk Silver), белый (Starlight White) и красный (Cashmere Red).

Внутренняя сторона крышки ноутбука, как и внешняя, полностью покрыта глянцем. Кстати, дисплей также глянцевый. А вот рабочая область, к счастью, имеет не только фирменный узор, но и более практичное и приятное на ощупь матовое покрытие.

Крепление крышки ноутбука к основанию осуществлено при помощи двух утопленных в корпус петель. Такое крепление обеспечивает надежную фиксацию крышки в любом положении, но при этом ограничивает угол раскрытия до 135°, чего в некоторых случаях может быть недостаточно.
Коммуникационные интерфейсы ноутбука Packard Bell EasyNote TM85 достаточно хорошо разнесены, даже не смотря на то, что почти все они расположены с левой стороны корпуса. Набор портов чем-то особенным не выделяется, он вполне стандартный — это три порта USB, пара разъемов mini-jack, кард-ридер, сетевой порт и два порта для подключения внешних мониторов VGA и HDMI.



На фронтальной стороне ноутбука, помимо кард-ридера, позволяющего работать с картами памяти SD, MMC и MS, находится блок индикаторов, который отображает активность подключения к сети и состояние заряда аккумулятора.

С тыльной стороны находится лишь отсек для аккумулятора, занимающий почти всю площадь.

С правой стороны расположен оптический привод, которые занимается большую часть поверхности, а также два порта USB 2.0 и замок Kensington.

Левая сторона, как уже было отмечено, наиболее загружена. Здесь присутствуют: два разъема mini-jack (линейный выход/S/PDIF и микрофонный вход), порт USB 2.0, порт HDMI, сетевой разъем RJ45, порт VGA, разъем DC-in для адаптера питания, а также достаточно крупное вентиляционное отверстие.


На днище ноутбука находятся несколько небольших вентиляционных отверстий, которые расположены над основными компонентами системы, а также несколько наклеек с важной информацией и пара отсеков, один из которых обеспечивает доступ к слотам оперативной памяти, жесткому диску и разъему для внутренней карты расширения. Второй же является пустым, возможно он предназначен для опциональных компонентов. Четыре относительно крупные резиновые ножки, расположенных по углам, обеспечивают хорошее сцепление с различными поверхностями. Удержание аккумулятора в отсеке осуществляется при помощи двух фиксаторов – пружинного и ручного.
Дисплей, вэб-камера, устройства ввода

В ноутбуке Packard Bell EasyNote TM установлена достаточно качественная широкоформатная 15,6-дюймовая TN-матрица AU Optronics B156XW02 V2. Она имеет светодиодную подсветку, которая обеспечивает высокое качество картинки с яркими насыщенными цветами, а также глянцевое покрытие, позволяющее избавиться от выцветания картинки при попадании на нее солнечных лучей, но при этом обеспечивающее характерные блики от ярких источников света.
По заявлению производителя, технические характеристики дисплея выглядят следующим образом: максимальное разрешение составляет 1366×768 точек при соотношении сторон 16:9, уровень контрастности равен 500:1, уровень яркости – 220 кд/м 2 , а время отклика – 8 мс. Подключается дисплей по интерфейсу LVDS. Углы обзора – 90°по горизонтали и 50° по вертикали, чего на практике может показаться недостаточно.

На кромке над дисплеем находится фиксированный модуль 1,3-мегапиксельной веб-камеры с расположенным рядом микрофоном.

Клавиатура, установленная в ноутбуке Packard Bell EasyNote TM85, является очень хорошим и качественным подарком от материнской компании Acer. Она не только полноразмерная, но и имеет отдельный цифровой блок, который, стоит сказать, реализован идеально. Клавиши достаточно крупные с плоской поверхностью и имеют одну общую подложку, при этом не вызывают нареканий во время работы. Они обладают мягким тихим ходом с хорошим откликом в конце нажатия. К тому же, приятным моментом, является наличие отдельных клавиш для включения/выключения звука, уменьшения/увеличения громкости, а также для запуска фирменной программы Packard Bell Socials Network. А клавиши [F7]-[F10] теперь предназначены для управления мультимедиа. Огорчило в клавиатуре только нанесение символов на клавиши, так как абсолютно все они имеют белый цвет.

Над клавиатурой, помимо узкой черной металлической сеточки, под которой расположена акустическая система, находится зеркальная вставка. На ней справа находится клавиша включения ноутбука, оборудованная синей подсветкой, а также два индикатора, отображающих активность беспроводных сетей и интенсивность обращений к жесткому диску.

Тачпад имеет общую плоскость с рабочей областью, но это не так страшно, как кажется на первый взгляд. Чтобы не потерять чувствительную область во время работы, в нем предусмотрены три небольшие выпуклые линии, две из которых обозначают границы, а третья указывает место функции вертикальной прокрутки. Во время работы тачпад проявляет себя с лучшей стороны. Он обладает хорошей чувствительностью, а также имеет поддержку «мультинажатий», которые обеспечивают быстрый доступ к вертикальной и горизонтальной прокрутке, зуммированию и вращению. Клавиши, расположенные ниже, выполнены из единой панели серебристого цвета и имеют мягкий практически бесшумный ход.
Акустика
Звуковая подсистема ноутбука Packard Bell EasyNote TM85 состоит из двух стереодинамиков, расположенных над клавиатурой под декоративной металлической сеточкой черного цвета. Качество воспроизводимого звука достаточно высокое, оно сопоставимо со всеми современными ноутбуками. Также приятно, что динамики обеспечивают вполне высокую громкость и исключают наличие ощутимых искажений при максимальном уровне. Конечно, если ощущений от прослушивания любимой музыки или просмотра видео, будет недостаточно, то всегда можно подключить внешнюю аудиосистему или наушники.
Блок питания и аккумулятор

Для работы от сети и для осуществления зарядки аккумулятора используется блок питания HIPRO HP-A0904A3 (90 Вт, 19 В, 4,74 А). Этот БП во время работы при заряженном аккумуляторе остается практически холодной, но во время зарядки становиться весьма горячий и разогревается до 55 градусов по шкале Цельсия.
Автономный режиме работы ноутбука обеспечивает 6-элементный литиево-ионный аккумулятор SANYO AS10D31 (10,8 В, 4400 мАч, 48 Вт*ч).
Программное обеспечение
Набор предустановленных программ и утилит достаточно большой и разнообразный. Среди них присутствуют не только утилиты, обеспечивающие улучшение в производительности системы, и пробные версии таких программ как Microsoft Office 2007 и Norton Internet Security, но и несколько полных программных пакетов, в частности Adobe Photoshop Elements 7. Помимо этого есть и несколько фирменных утилит.

Первой утилитой, с которой можно познакомиться после включения ноутбука, является VIDEO Web Camera. Она представляет собой небольшое скрывающееся окошко, которое по умолчанию «приклеено» к верхней части рабочего стола, хотя в настройках при желании можно изменить его местоположение. Утилита позволяет моментально запустить вэб-камеру и начать съемку, изменить разрешение получаемой картинки, а также установить различные фильтры.

Наиболее полезной фирменной программой, на наш взгляд, является Packard Bell Social Networks, которая обеспечивает быстрый доступ к учетным записям в таких сервисах как Facebook, YouTube и Flickr.

Программа Packard Bell Games предоставляет достаточно широкий набор казуальных и инди-игр, при помощи которых можно неплохо развлечься и «убить время». К сожалению, все игры платные, а предустановленные представлены исключительно в демонстрационном режиме.
Тестирование
Для сравнительного тестирования производительности Packard Bell EasyNote TM мы выбрали несколько популярных пакетов, которые позволяет в полной мере оценить возможности ноутбука, а полученные результаты сравнили со следующими более и менее новыми моделями ноутбуков:
Ноутбук Packard Bell EasyNote TM85 обеспечивает хороший уровень производительности, которой более чем достаточно как для простых приложений, так и для 3D-графики начального и среднего уровня, но с обработкой современной игровой 3D-графики он может не справиться.
Накопители
Дисковая подсистема ноутбука основана на жестком диске WDC WD3200BEVT-22A23T0 емкостью 320 ГБ, скорость вращения шпинделя которого составляет 5400 об/мин. Подключается жесткий диск при помощи интерфейса SATA-II. Для получения более подробной характеристики о накопителе мы воспользовались программой HD-Tune Pro.



Для работы с оптическими носителями используется привод HL-DT-ST DVDRAM GT31N, способный без проблем считывать и записывать информацию на практически все существующие типы дисков CD и DVD.

Чтобы определить насколько хорошо данный оптический привод справляется с коррекцией ошибок в разных случаях, были использованы:

Старый CD-диск с сильно поцарапанной поверхностью

Достаточно сильно поцарапанный DVD-диск

Двухслойный DVD-диск с бракованным вторым слоем
Тепловыделение и шум
В ноутбуке установлена достаточно тихая и эффективная система охлаждения. Во время работы в режиме простоя ее практически не слышно, да и во время нагрузки шум от кулера не особо слышен, хотя он есть.


Для определения эффективности системы охлаждения и температурного режима ноутбука во время работы, мы сначала измерили температуру окружающей среды, которая составила +25,8°C, а затем на 30 минут запустили тестовый пакет 3DMark 06. Далее мы, воспользовавшись Scythe Kama Thermo Wireless, образно поделили на девять участков рабочую область и днище ноутбука и измерили температуру каждой из них. В результате выяснили, что ноутбук достаточно хорошо охлаждается и его температура остается на вполне приемлемом уровне, как при простое, так и при высокой нагрузке, но все же есть несколько областей, которые разогреваются сильнее. Так, наибольшее значение на рабочей области составило 41,6°C, а на днище – 41,1°C.
Автономная работа
Для определения времени автономной работы ноутбука мы использовали программу Battery Eater, которая позволяет производить замеры в нескольких режимах:
Время автономной работы ноутбука предсказуемо, оно находится на вполне достойном уровне. Так, от штатного 6-элементного аккумулятора емкостью 4400 мАч ноутбук в «классическом» режиме при максимальной яркости дисплея и со всеми включенными модулями смог проработать чуть более часа. В режиме простоя при минимальной яркости дисплея и с выключенными модулями время работы увеличилось почти в четыре раза и составило 4 часа. Отсюда можно сделать вывод, что на практике ноутбук будет работать автономно порядка 1,5-2,5 часов в зависимости от нагрузки. Восстановление полного заряда аккумулятора происходит достаточно быстро — около полутора часов.
Итоги
Ноутбук Packard Bell EasyNote TM85 представляет собой достаточно хорошую рабочую станцию, которая благодаря изящному внешнему виду, сочетающему обилие глянцевых поверхностей и интересный волнообразный рисунок для внешней части крышки и рабочей области, привлекает к себе достаточное внимание. Конечно, такой внешний вид требует тщательного ухода. Кроме этого, ноутбук радует достаточно высокой производительностью, которой предостаточно, как для работы с офисными программами, так и для запуска игр, в том числе не самых требовательных современных. Также Packard Bell EasyNote TM85 имеет достаточно широкие мультимедийные возможности. К сожалению, за это все приходится платить не самым продолжительным временем автономной работы.
Обзор ноутбука Packard Bell EasyNote NX69
В данном лэптопе Packard Bell EasyNote NX69 производитель реализовал максимальный размер экрана при небольших размерах собственно устройства. Стильный матовый корпус – удобное и в то же время элегантное решение при весе всего 2,089 кг (при этом встроенная литиево-ионная батарея весит 0,391 кг).
Прочно закрепленные шарниры надежно фиксируют крышку в открытом положении, не позволяя ей колебаться или менять угол наклона. Максимальный угол открытия составляет примерно 150 градусов, чего вполне хватает для комфортной работы с лэптопом. Для того чтобы открыть его, достаточно одной руки – тяжелый низ надежно удерживает компьютер на столе.
Надо заметить, что пластиковый корпус обратной стороны ноутбука не имеет ни намека на крышку – это затрудняет встраивание дополнительных различных девайсов и усовершенствование ноутбука, зато значительно увеличивает надежность и стабильность его работы.

Общие характеристики
Данный ноутбук Packard Bell EasyNote NX69 (ENNX69HR) оснащен dual-core процессором Intel Core i5 2410M (его частота по умолчанию — 2.3 GHz), материнской платой на базе чипсета Intel HM65, и видеокартой NVIDIA GeForce GT 540M. Объем памяти жесткого встроенного диска компьютера – 500 ГБ, при этом есть возможность существенно увеличить этот объем за счет подключения дополнительных устройств. Компьютер снабжен проигрывателем MATSHITA DVD-RAM UJ8A2AS, на нем установлена звуковая карта Intel Cougar Point PCH, вебкамера на 1,3 мегапикселя, многофункциональная мышь, и литий-ионная батарея емкостью 6000 мАh, что составляет около 6 часов активной работы без подключения к сети. Все эти функции вмещены в корпус размерами 28,7*329,4*227,3 мм.
В числе портов и разъемов, которые может предложить этот девайс пользователю, есть три USB-порта, один из которых – USB-порт 3.0 и точка для подключения принтера, мыши или внешнего твердого диска. На левом боку ноутбука расположены разъемы под микрофон, наушники или SPDIF, а также два из трех USB-портов, HDMI, VGA и AC. С левой стороны – третий USB-порт 3.0, замок Kensington, порт Ethernet и порт подключения оптического диска. Сзади ничего нет, а спереди расположен мультиформатный картридер, рассчитанный на 6 типов карт – SDX, SD, MS, MMC, xD, MS-Pro.
На додачу к WLAN, Packard Bell EasyNote NX69 предлагает также беспроводное соединение через Bluetooth 3.0+HS. От ноутбука можно заряжать мобильные устройства без включения его самого, при помощи порта USB 3.0 (на корпусе для этого имеется специальная иконка).
Компоненты. Клавиатура, экран, сенсорная панель

При размере дисплея 13,3 дюймов (35 см), разрешение составляет 1366×768 пикселей. Достигается его малый размер за счет использования тонких рамок, увеличивающим до максимума площадь дисплея.
Довольно крупная сенсорная панель (Synaptics ClickPad V8.0) расположенная ниже клавиатуры. Четкого разграничения на левую и правую клавиши мыши нет. При своих размерах, панель чувствительна по всей площади, до самых краев. Поверхность очень гладкая и создает только слабое сопротивление при скольжении. Доступна вертикальная и горизонтальная полоса прокрутки (в настройках «по умолчанию» обе отключены). Панель дает возможность полного контроля при помощи мультитач-технологии.
Программная часть
Гарантия

Модель Packard Bell EasyNote NX69 – стоящий внимания лэптоп с 14-ти дюймовым экраном, с пластиковой нижней частью и алюминиевой крышкой. Он демонстрирует хорошие пользовательские характеристики: удобные и практичные поверхности (не остается следов пальцев), стильный привлекательный вид, хорошие эксплуатационные характеристики и долгий срок независимой работы батареи.
Двухъядерный Intel Core i5 2410M в соединении с видеокартой NVIDIA GeForce GT 540M, и вкупе с 14-ю дюймами экрана делают эту модель подходящей в том числе и для современных игр. В общем и целом, этот компьютер отлично подойдет для просмотра фильмов и работы с офисными приложениями, он также достаточно хорош для тех, кто работает с графикой, хотя впоследствии они могут захотеть приобрести что-нибудь более мощное. Благодаря долгой работе батареи в режиме активного использования его удобно брать с собой в поездки, а благодаря не такому уж и большому размеру — 28.7×329.4×227.3 мм – покупатель может отнести Packard Bell EasyNote NX69 и к ноутбукам, и к лэптопам.
Источник http://www.smartphone.ua/tests/obzor_i_testirovanie_noutbuka_packard_bell_easynote_tm85_6169.html
Источник https://ddriver.ru/kms_catalog+stat+cat_id-15+page-1+nums-241.html
Источник
Источник